大型研究プロジェクト(@広島大学)


文部科学省 21世紀COEプログラム
「テラビット情報ナノエレクトロニクス」

 拠点リーダ:岩田 穆(あつし)

2001年~2005年
21世紀COEの概要
21世紀COE 成果報告書


文部科学省 先端融合領域イノベーション創出拠点プログラム
半導体バイオ融合集積化技術構築プロジェクト:SBI

 拠点リーダ:岩田穆(あつし)

2006年~2009年
SBIプロジェクトの概要
SBIプロジェクト成果報告


研究開発テーマ


アクティブフィルタ
PB受信機,MF受信機
自動レーザトリミングシステム
電子ビーム露光システム
CMOS AD変換器(容量アレイ逐次比較形)
スイッチトキャパシタフィルタ
CMOS音声符号復号器(CODEC)
MASHオーバサンプリングADC技術
デジタルオーディオへのMASH応用
電話加入者回路SLIC
Digital Signal Procrssor for Audio
携帯通信用LSI
電気光(EO)サンプリング
Post Digital LSI (PDL)
Neuro:神経回路チップ
時間領域信号処理
OEIC(Opto Electronic Integrated Circuit)
リアルタイム物体・空間認識システム
無線インタコネクト3次元集積
基板クロストーク雑音解析・評価
半導体バイオ融合イノベーション


研究テーマの内容・特徴


□電電公社研究所でアナログ回路の設計のテーマを与えられて以来,一貫してアナログに関わる集積回路の研究・開発に携わった.
□CMOSデバイスでアナログ回路を作るという先端のテーマに恵まれ,世界初の1チップの音声符号・復号器(音声をPCMデジタル信号に変換,PCMを音声に変換)を開発できた.
□これを発展させて考案された微細なCMOSに適した新AD, DA変換技術MASHの研究・開発で技術と学会に貢献し,オーディオ機器等への実用化に貢献できた.
□大学に異動して産学共同研究として低電圧・低雑音アナログ回路,基板雑音の解析評価の研究を実施して,これら成果と卒業生で,アナログ設計企業A-R-Tecを設立できた.
□NTT時代から将来技術として,超大規模ポストデジタルLSI,神経回路網チップ,光インタコネクト,アナデジ融合回路,無線インタコネクト,3次元集積,半導体バイオ融合に挑戦してきた.
未だ道半ばだが,能力・気力が尽きつつある.
 

 
アナログ回路の位置付け


○今はデジタルの時代と言われているが,アナログが何故重要なのでしょうか.
○ 我々が日常,見たり聞いたり感じたりする多くの情報はアナログです.我々が使う携帯電話やTVなどのシステムではアナログ情報を受信,センシングして,それをデジタルに変え,処理・記憶・通信して,又,人間に分かり易いアナログに戻すことが必要です.
○集積回路にはアナログとデジタルの両方が必要で,デジタルは計算機を使って自動設計し易いですが,アナログはそうはいきません.
○アナログ回路は多種多様で,特性や仕様が複雑で,設計には経験や勘が必要です.
アナログに研究・開発する要素が多く重要になっています.
ここにアナログ回路技術を研究・開発する価値と需要,人材の育成の必要性があります.
 

RCアクティブフィルタ


 フィルタというのは,音でいうと低音と高音を分けるような周波数成分を弁別する機能を持ち, 昔から通信に不可欠なものです.これを作るにはコイル(L)とコンデンサー(C)を用いるのが普通ですが,大きく,重たく,特性調整するのが大変でした.
 そこで,コイルを用いないでフィルタを作り,小型・軽量にしようという考えで研究・開発されたものです.現在主流になっているシリコンチップ上に形成した集積回路の前には混成集積回路(ハイブリッド)があり,この技術実現するのに適しています.
 抵抗(R)とコンデンサー(C)とアンプを用いることにより,等価的にコイルの機能を実現できるという原理で動作します.RとCの値を変えると,周波数が変わるので,特性調整ができます.

混成IC化RCアクティブフィルタ


 RCアクティブフィルタはR,C,オペアンプで構成されます. セラミック基板上に形成したタンタル薄膜によるR,と窒化タンタル薄膜によるC,シリコンオペアンプチップをで作られます.
  左は完成品でサイズは4cm x 4cm程度,上にある黒い■がオペアンプチップ,真ん中の2個の白い基板の裏にはCが,下の白い基板の裏に はRが形成されているいる.真ん中の基板は,C基板とR基板とオペアンプを搭載する前のメイン基板,縦長の基板はR基板で, 多数の抵抗が形成されている.その拡大写真が一番右にある.小さい基板はC基板で,3個のコンデンサーが形成されている.
  メイン基板には穴が空け,これを通してレーザーをあてRの値を調整して,精度を高めます.

周波数多重通信に用いられるチャネルフィルタ


 周波数多重通信(FDMA:Frequency Domain Mutiple Access)とは一人の音声を約4KHzの帯域に制限して, これを高い周波数に変換して,積み重ねて,1本でケーブルで多数の人の声を通信する方式です. コイルとコンデンサーを用いたLCフィルタで作られましたが,これをRCアクティブフィルタで実現した試作品です. 1/4位に小型・軽量になりました.

PB受信機,MF受信機(D60デジタル交換機用)


電話交換機で音声帯域(0.3-3.4KHz)の信号を受信する機能を持つもの.
・PB Rec (Push Buttom Signal Receiver) は電話機からの接続先のダイヤル信号を受信するもの.0-9,*,#の12の符号を2周波の組み合わせピポハで送る,
・MF Rec Multi-Frequency Receiver 交換機間の信号を受信するもの.700,900,1100,1300,1500,1700 Hzの6周波の中から,任意の2周波の組合せで表現される。
・LCフィルタ(共振回路)で周波数を選別して受信していたが,低周波のためL,Cの値が大きく, 大きなものであった.これを混成IC化RCアクティブフィルタで実現して小型化して,交換機に導入した.

自動レーザートリミングシステム



 混成IC化RCアクティブフィルタの特性を自動的に調整する機能トリミング装置.
 フィルタの特性(振幅と位相)を測定して,所望の特性になるように,薄膜抵抗素子をカットして抵抗値を上げて調整する.これを機能トリミングという.
 混成ICを移動させるステージ,抵抗をカットするYAGレーザー,フィルタの特性を測定するネットワークアナライザー,これらを制御するコンピュータと制御ソフトウェアで構成されている.
 右の写真に示すように,混成ICの抵抗パターンにははしご形の調整片を設けて,加工の高速化と切断面を減らすことにより,経時特性変化を抑えるように設計している.
 

電子ビーム露光システム


LSIのパターンを形成するための描画装置
 紫外線を使って写真の原理でパターン生成していたが,パタン寸法の微細化により,光の波長程度以下になると,描画のパターンがぼやけて,精度が得にくくなる.
 波長の短い電子ビームを使って描画する方法があり、電子顕微鏡と同じ電子光学コラムを用いてビームをミクロン以下に収束させて.それをスキャンしてパターンを描画する.
LSIの設計データに基づいて,電子ビームの位置を高精度10nmに制御する.
膨大な数のパターンの描画時間を短くするために位置を高速に制御する.
 このために高速,高精度なDA変換器が必要,(18-20bit,セットリング時間ナノ秒オーダー)
ビームのON/OFFを高速に制御するブランキング機能も必要である.
 電子ビーム描画装置を用いて,光を使って露光するためのマスクを描画する方法と,Siウェハ上にパターンを直接描画する方法がある.

 

CMOS逐次比較AD変換器


・説明
 

スイッチトキャパシタフィルタ(SCF)


・説明


音声符号復号器CODEC (Coder-Decoder)


・説明
 

電話加入者回路(SLIC)4chip


・説明


MASH(Multi-Stage Noise-Shaping)方式
アナログデジタル(AD)変換,デジタルアナログ(DA)変換技術


MASH:Multi-Stage Noise-Shaping
多段雑音抑圧型1ビットオーバーサンプリングAD変換技術
・帰還ループは1次のため安定性を確保
・無調整のLSIで16ビット以上の精度を実現

 登録商標ロゴ  
1段目の1次ΔΣ量子化器で入力を1ビットで量子化し,その時発生する量子化雑音を2段目で量子化し、その量子化雑音を3段目で量子化し,1段目のデジタル出力から,2段目量子化器の出力を1次微分して引き算し、3段目量子化器の出力を2次微分して引き算することにより,1段目と2段目の量子化雑音をキャンセルする。3次のノイズシェーピング特性(量子化雑音が高周波に移動)が得られ、低周波帯域内の雑音が抑圧され、SN比が向上する。

 発明者:内村国治,岩田穆,小林勉, 内村国治さんは2010年12月15日にご逝去,ご冥福を祈ります.

オーディオ用MASH-ADCチップ


設計者:松谷康之(青山学院大学教授)松下電器と共同開発,製品名:MN86081
CMOSデバイス,3段構成,
雑音抑圧フィルタ3次
64倍オーバーサンプリング, 44.1K, 48Kサンプル/秒,デジタル出力16ビット, チップの左側(1/3)がMASH型AD変換器,
右側(2/3)がデジタルフィルタと出力回路


オーディオ用MASH-DACチップ


設計者:松谷康之(青山学院大学教授)松下電器と共同開発,製品名:MN6472
CMOSデバイス,3段構成,雑音抑圧フィルタ3次,64倍オーバーサンプリング, 44.1Kサンプル/秒,デジタル入力16ビット,ステレオCH チップの左側がデジタルフィルタ,右側下半分がMASH-DA変換論理回路),右側下1ビットDA変換器(PWM変調)


MASHを搭載したオーディオ機器


左:DATデッキ SV-D9000 松下電器製, 右:ポータブルDAT SV-MD1DAT 松下電器製
  
高性能CDプレーヤ SL-P2000, 松下電器製

左:ポータブルCDプレーヤ SL-XPS900, 右:DACチップMN64751

電話加入者回路(SLIC)2chip MASH使用


MASHはD70型電子交換機の加入者回路,電話機1台に1回路ずつ用いられた.
設計者:林敏夫,内村国治,井鍋,木村忠勝,日本電気,日立製作所,沖電気,富士通との共同開発
従来,4チップで構成の電話加入者回路を2チップで実現した.
AD,DA変換器はSLPチップに搭載されているが,ほとんどがデジタル回路でアナログ回路は非常に少ない.
 

デジタルシグナルプロセッサDSPタ


・説明
 

VHF帯直接分周周波数シンセサイザーLSI


[チップ左] 2モジュラスプリスケーラ 設計者:赤澤幸雄氏  ポリシリコン活用の高速バイポーラトランジスタを使用し,1GHzのRF入力を1/63, 1/64に分周する
[チップ右] CMOSシンセサイザーLSI 設計者:菊池博之氏  無線機に必要な多数チャネルの周波数を制御部からの指定により発生する
[直接分周方式の特徴]  従来の周波数変換方式(Mix Down)で使われていた,同調コイルなどのLSIに向かない部品を不要にでき, 無線器の小型化,LSI化が可能になった.
[実用化の実績]  これらのLSIは1984年に自動車電話用にに導入された. この技術は,その後,携帯電話など無線通信の基盤技術になり,現在の携帯電話にも使われている.


電気光サンプリング (Electro Optical Sampling)


・説明


ポストデジタルLSI (Post Digital LSI)


超大規模集積回路はマイクロプロセッサに代表されるデジタル回路でなく, 人間の脳に似たアナログデジタル融合型のメモリ機能を中心にしたアーキテクチャになることを主張している.

狙いとする特徴
・故障しない,素子が壊れても全体の機能は損なわれない,
・動作環境の変化に強い,温度,電源,経時変化
・テストが不要 全部の素子が動作しなくても不良チップにはならない
・学習により機能を自己形成する,設計不要,

革新的なデバイス,アルゴリズム,アーキテクチャを研究する原動力になる.

 

ューラルネットワークLSI


左:積和演算を高速に行うバイポーラチップ,光通信システムの特性学習制御の研究用High-Speed Analogue Neural-Network LSI Employing Super-Selfaligned Si Bipolar Process Technology
  右:確率的演算を用いたマンハッタン距離演算チップ Stochastic Computing Chip for Measurement of Manhattan Distance


時間領域アナログデジタル融合回路


アナログ情報を時間領域(パルスの幅)で表現し,デジタル回路でアナログ情報を処理することを提案した.
スイッチト電流源の出力を電荷として加算,減算することができ,多入力の加減算が高速に処理できる
電圧をパルスに変換するにはコンパレータ用いる,パルスで情報を送るので雑音に強い,
アナデジ融合回路で最小距離演算チップを開発,パターン認識や,画像認識のマッチング処理に使える,人間の脳で行っている処理を模擬した脳型チップ

 

画像特徴連想プロセッサ IFAP: Image Feature Associative Processor


パルス幅変調信号を用いたアナログデジタル融合回路によるマッチングプロセッサと、 イメージセンサとセルオートマトンによる雑音抑圧回路を搭載している。0.8μmCMOS技術を使用
 
IFAPを用いたじゃんけんマシン

  ==NHK News 画像(avi 10MB)==

光電融合集積回路(OEIC, Optical & Electrical Integrated Circuits)

  
UOEICの概念:光技術と電子回路技術の融合によりそれぞれの特徴を両立させる.
・光の特徴:情報の通信,転送が得意,例:クロック分配,バスライン
・電子回路の特徴:演算,記憶,制御が得意
すべてを光で実現するのでなくそれぞれの特徴を活かす.

UOEIC研究会の成果で応用物理学会 林厳雄賞を受賞
「シリコンLSIにおける光インターコネクション技術に関する先駆的研究」 受賞記念講演スライド
  シリコンチップに光導波路と発光素子を形成
 MCM:Multi-Chip-Moduleの積層チップ間を高速光接続,可変通信機能を達成

リアルタイム物体・空間認識システムの開発

プロジェクト成果果報告


無線インタコネクトによる三次元集積


インダクタによる磁気結合を用いたLWI(Local Wireless Interconect)  

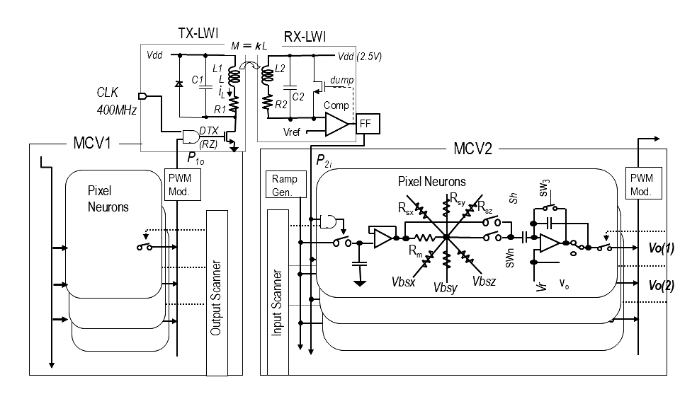
LWIによるピクセルと空間フィルタの2D接続(PWMアナログ情報)

インダクタ結合(LWI)と集積化アンテナ(GWI)を用いた3D集積構造

 3D集積構造による画像認識システムの各チップの機能と情報伝達

クロストーク雑音解析・評価




・説明
 

半導体バイオ融合集積化技術 SBI: Semiconductor Bio Integration


拠点の研究成果の公表

copyright reserved 2010-2016

Last updated 2016.1.26